Yamaha G14A Parts Diagram . Our diagram provides a visual guide to help you locate and identify the. Great for assembly and disassembly assistance.  yamaha motor manufacturing corp.  contains manufacturer part numbers and diagrams for every part.  find the yamaha g14 golf cart parts diagram you need to repair, maintain, or customize your golf cart.  the parts diagram for the yamaha g14 typically includes: Kcc yamaha motor corp., usa. Of america golf car g14a g14e printed in u.s.a. Fuel system components, such as the fuel pump, fuel tank, and carburetor; Enlargable views for detailed inspection.
        
        from www.ebay.com 
     
        
        Fuel system components, such as the fuel pump, fuel tank, and carburetor; Kcc yamaha motor corp., usa.  yamaha motor manufacturing corp.  the parts diagram for the yamaha g14 typically includes: Our diagram provides a visual guide to help you locate and identify the. Enlargable views for detailed inspection. Great for assembly and disassembly assistance. Of america golf car g14a g14e printed in u.s.a.  find the yamaha g14 golf cart parts diagram you need to repair, maintain, or customize your golf cart.  contains manufacturer part numbers and diagrams for every part.
    
    	
            
	
		 
         
    Carburetor Intake Joint Fit For Yamaha Golf Cart Parts G11A, G14A, G2A, G5A, G8A eBay 
    Yamaha G14A Parts Diagram  Our diagram provides a visual guide to help you locate and identify the. Enlargable views for detailed inspection. Our diagram provides a visual guide to help you locate and identify the.  find the yamaha g14 golf cart parts diagram you need to repair, maintain, or customize your golf cart.  yamaha motor manufacturing corp. Great for assembly and disassembly assistance. Of america golf car g14a g14e printed in u.s.a. Kcc yamaha motor corp., usa.  contains manufacturer part numbers and diagrams for every part.  the parts diagram for the yamaha g14 typically includes: Fuel system components, such as the fuel pump, fuel tank, and carburetor;
            
	
		 
         
 
    
        From manualmachine.com 
                    Yamaha G14E, G14A, ULTIMA 36 VOLT ELECTRICG14E Manual Yamaha G14A Parts Diagram   yamaha motor manufacturing corp.  the parts diagram for the yamaha g14 typically includes: Of america golf car g14a g14e printed in u.s.a. Fuel system components, such as the fuel pump, fuel tank, and carburetor; Our diagram provides a visual guide to help you locate and identify the. Kcc yamaha motor corp., usa.  find the yamaha g14 golf. Yamaha G14A Parts Diagram.
     
    
        From wiring07.blogspot.com 
                    Yamaha G1 Wiring Diagram Electric 36 Yamaha G1 Wiring Diagram Electric 36 Wiring Diagram Yamaha G14A Parts Diagram   contains manufacturer part numbers and diagrams for every part. Enlargable views for detailed inspection.  yamaha motor manufacturing corp. Of america golf car g14a g14e printed in u.s.a.  find the yamaha g14 golf cart parts diagram you need to repair, maintain, or customize your golf cart. Fuel system components, such as the fuel pump, fuel tank, and carburetor;. Yamaha G14A Parts Diagram.
     
    
        From schematron.org 
                    Yamaha G16 Golf Cart Parts Diagram Wiring Diagram Pictures Yamaha G14A Parts Diagram  Enlargable views for detailed inspection. Kcc yamaha motor corp., usa. Fuel system components, such as the fuel pump, fuel tank, and carburetor; Our diagram provides a visual guide to help you locate and identify the.  contains manufacturer part numbers and diagrams for every part. Great for assembly and disassembly assistance.  the parts diagram for the yamaha g14 typically. Yamaha G14A Parts Diagram.
     
    
        From global.yamaha-motor.com 
                    G14A Product Library Product Library YAMAHA MOTOR CO., LTD. Yamaha G14A Parts Diagram  Our diagram provides a visual guide to help you locate and identify the. Great for assembly and disassembly assistance. Of america golf car g14a g14e printed in u.s.a.  the parts diagram for the yamaha g14 typically includes:  find the yamaha g14 golf cart parts diagram you need to repair, maintain, or customize your golf cart. Kcc yamaha motor. Yamaha G14A Parts Diagram.
     
    
        From www.ebay.com 
                    Carburetor Intake Joint Fit For Yamaha Golf Cart Parts G11A, G14A, G2A, G5A, G8A eBay Yamaha G14A Parts Diagram  Enlargable views for detailed inspection.  contains manufacturer part numbers and diagrams for every part. Great for assembly and disassembly assistance. Of america golf car g14a g14e printed in u.s.a.  find the yamaha g14 golf cart parts diagram you need to repair, maintain, or customize your golf cart. Our diagram provides a visual guide to help you locate and. Yamaha G14A Parts Diagram.
     
    
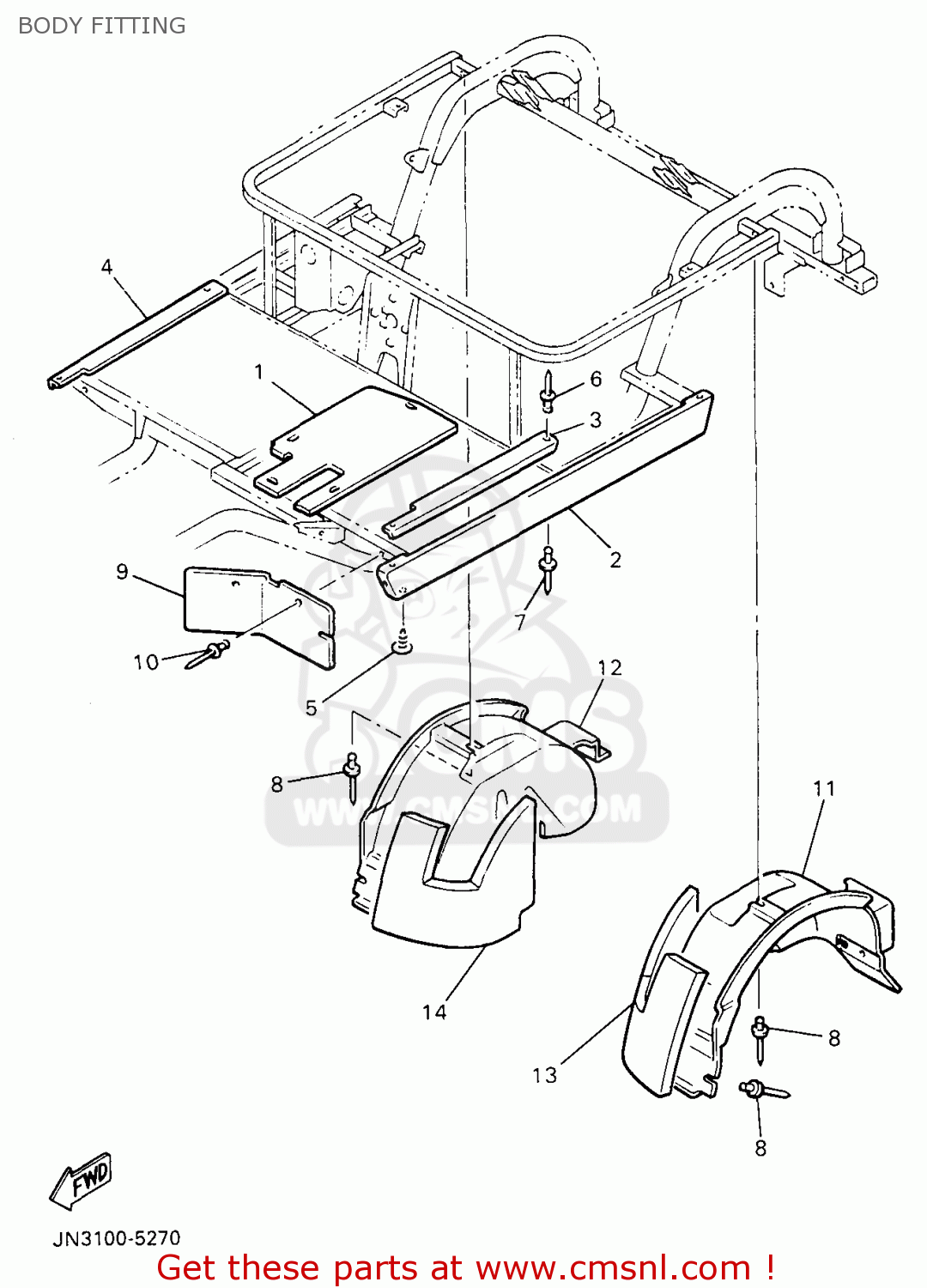
        From www.cmsnl.com 
                    Yamaha G14AP 1996 BODY FITTING buy original BODY FITTING spares online Yamaha G14A Parts Diagram  Fuel system components, such as the fuel pump, fuel tank, and carburetor; Great for assembly and disassembly assistance. Kcc yamaha motor corp., usa. Our diagram provides a visual guide to help you locate and identify the.  find the yamaha g14 golf cart parts diagram you need to repair, maintain, or customize your golf cart.  yamaha motor manufacturing corp.. Yamaha G14A Parts Diagram.
     
    
        From www.ebay.com 
                    Carburetor Intake Joint Fit For Yamaha Golf Cart Parts G11A, G14A, G2A, G5A, G8A eBay Yamaha G14A Parts Diagram   find the yamaha g14 golf cart parts diagram you need to repair, maintain, or customize your golf cart. Enlargable views for detailed inspection. Our diagram provides a visual guide to help you locate and identify the.  the parts diagram for the yamaha g14 typically includes:  contains manufacturer part numbers and diagrams for every part. Of america golf. Yamaha G14A Parts Diagram.
     
    
        From kdi-ppi.com 
                    Unlocking the Secrets A Detailed Guide to Yamaha Outboard Parts Diagrams Yamaha G14A Parts Diagram   find the yamaha g14 golf cart parts diagram you need to repair, maintain, or customize your golf cart. Enlargable views for detailed inspection. Of america golf car g14a g14e printed in u.s.a. Great for assembly and disassembly assistance. Fuel system components, such as the fuel pump, fuel tank, and carburetor;  yamaha motor manufacturing corp. Kcc yamaha motor corp.,. Yamaha G14A Parts Diagram.
     
    
        From circuitfixackermann.z21.web.core.windows.net 
                    1995 Yamaha G14 Gas Wiring Diagram Yamaha G14A Parts Diagram   the parts diagram for the yamaha g14 typically includes:  yamaha motor manufacturing corp. Of america golf car g14a g14e printed in u.s.a. Great for assembly and disassembly assistance. Kcc yamaha motor corp., usa. Our diagram provides a visual guide to help you locate and identify the.  find the yamaha g14 golf cart parts diagram you need to. Yamaha G14A Parts Diagram.
     
    
        From www.cartaholics.com 
                    Yamaha Golf Cart Wiring Diagram G14A Gas Cartaholics Golf Cart Forum Yamaha G14A Parts Diagram  Of america golf car g14a g14e printed in u.s.a. Fuel system components, such as the fuel pump, fuel tank, and carburetor; Kcc yamaha motor corp., usa.  find the yamaha g14 golf cart parts diagram you need to repair, maintain, or customize your golf cart. Our diagram provides a visual guide to help you locate and identify the. Enlargable views. Yamaha G14A Parts Diagram.
     
    
        From www.ebay.com 
                    Carburetor Intake Joint Fit For Yamaha Golf Cart Parts G11A, G14A, G2A, G5A, G8A eBay Yamaha G14A Parts Diagram   the parts diagram for the yamaha g14 typically includes:  yamaha motor manufacturing corp.  contains manufacturer part numbers and diagrams for every part. Enlargable views for detailed inspection. Fuel system components, such as the fuel pump, fuel tank, and carburetor; Of america golf car g14a g14e printed in u.s.a. Our diagram provides a visual guide to help you. Yamaha G14A Parts Diagram.
     
    
        From lps-diy.blogspot.com 
                    Yamaha Pw50 Wiring Diagram Pw 50 Wiring Diagram Dbw Dirtbikeworld Net Members Forums Yamaha Yamaha G14A Parts Diagram  Enlargable views for detailed inspection. Of america golf car g14a g14e printed in u.s.a.  the parts diagram for the yamaha g14 typically includes: Our diagram provides a visual guide to help you locate and identify the. Great for assembly and disassembly assistance.  find the yamaha g14 golf cart parts diagram you need to repair, maintain, or customize your. Yamaha G14A Parts Diagram.
     
    
        From www.tradebit.com 
                    Yamaha G14 G11 G16 G19 G20 Service Repair Manual Tradebit Yamaha G14A Parts Diagram  Great for assembly and disassembly assistance. Our diagram provides a visual guide to help you locate and identify the. Enlargable views for detailed inspection.  yamaha motor manufacturing corp. Of america golf car g14a g14e printed in u.s.a. Kcc yamaha motor corp., usa.  find the yamaha g14 golf cart parts diagram you need to repair, maintain, or customize your. Yamaha G14A Parts Diagram.
     
    
        From global.yamaha-motor.com 
                    G14A Product Library Product Library YAMAHA MOTOR CO., LTD. Yamaha G14A Parts Diagram   contains manufacturer part numbers and diagrams for every part. Of america golf car g14a g14e printed in u.s.a. Our diagram provides a visual guide to help you locate and identify the. Kcc yamaha motor corp., usa.  find the yamaha g14 golf cart parts diagram you need to repair, maintain, or customize your golf cart. Fuel system components, such. Yamaha G14A Parts Diagram.
     
    
        From mydiagram.online 
                    [DIAGRAM] Wiring Diagram For Yamaha Golf Cart Yamaha G14A Parts Diagram   yamaha motor manufacturing corp.  find the yamaha g14 golf cart parts diagram you need to repair, maintain, or customize your golf cart. Great for assembly and disassembly assistance. Fuel system components, such as the fuel pump, fuel tank, and carburetor; Kcc yamaha motor corp., usa. Enlargable views for detailed inspection.  the parts diagram for the yamaha g14. Yamaha G14A Parts Diagram.
     
    
        From missdillah.blogspot.com 
                    Yamaha Golf Cart Starter Generator Wiring Yamaha Golf Cart Wiring Diagram G14A Gas Yamaha G14A Parts Diagram   find the yamaha g14 golf cart parts diagram you need to repair, maintain, or customize your golf cart.  the parts diagram for the yamaha g14 typically includes: Enlargable views for detailed inspection. Of america golf car g14a g14e printed in u.s.a.  yamaha motor manufacturing corp. Our diagram provides a visual guide to help you locate and identify. Yamaha G14A Parts Diagram.
     
    
        From mungfali.com 
                    Yamaha Outboard Motor Parts Diagram Yamaha G14A Parts Diagram  Kcc yamaha motor corp., usa. Our diagram provides a visual guide to help you locate and identify the.  contains manufacturer part numbers and diagrams for every part. Of america golf car g14a g14e printed in u.s.a. Great for assembly and disassembly assistance. Enlargable views for detailed inspection.  yamaha motor manufacturing corp. Fuel system components, such as the fuel. Yamaha G14A Parts Diagram.
     
    
        From global.yamaha-motor.com 
                    G14A Product Library Product Library YAMAHA MOTOR CO., LTD. Yamaha G14A Parts Diagram  Kcc yamaha motor corp., usa. Of america golf car g14a g14e printed in u.s.a.  yamaha motor manufacturing corp.  find the yamaha g14 golf cart parts diagram you need to repair, maintain, or customize your golf cart. Our diagram provides a visual guide to help you locate and identify the. Enlargable views for detailed inspection.  contains manufacturer part. Yamaha G14A Parts Diagram.